Electrical Conductivity Measurement Device . The conductivity of a liquid substance is defined as the ability to transmit heat,. a conductivity meter is an analytical instrument that measures the conductivity of a solution. We support and service your measurement equipment. It works by passing an. an electrical conductivity meter (ec meter) measures the electrical conductivity in a solution. measure electrical conductivity in fluids with pure water tester. measure conductivity, resistivity, total dissolved solids, and salinity with a thermo scientific orion conductivity meter. [1] it has multiple applications in research and engineering, with. get the right tool to measure conductivity and tds in any environment. Regular lab work is done with. Each model tests conductivity (ec) or total dissolved solids (tds) at the high and low range. conductivity meters measure the ion capacity in aqueous solution to carry electrical current.
from www.directindustry.com
measure conductivity, resistivity, total dissolved solids, and salinity with a thermo scientific orion conductivity meter. [1] it has multiple applications in research and engineering, with. an electrical conductivity meter (ec meter) measures the electrical conductivity in a solution. We support and service your measurement equipment. get the right tool to measure conductivity and tds in any environment. conductivity meters measure the ion capacity in aqueous solution to carry electrical current. measure electrical conductivity in fluids with pure water tester. a conductivity meter is an analytical instrument that measures the conductivity of a solution. Regular lab work is done with. The conductivity of a liquid substance is defined as the ability to transmit heat,.
Conductivity measuring instrument MultiLine® Multi 3630 IDS Xylem
Electrical Conductivity Measurement Device measure conductivity, resistivity, total dissolved solids, and salinity with a thermo scientific orion conductivity meter. We support and service your measurement equipment. Each model tests conductivity (ec) or total dissolved solids (tds) at the high and low range. The conductivity of a liquid substance is defined as the ability to transmit heat,. an electrical conductivity meter (ec meter) measures the electrical conductivity in a solution. get the right tool to measure conductivity and tds in any environment. measure conductivity, resistivity, total dissolved solids, and salinity with a thermo scientific orion conductivity meter. a conductivity meter is an analytical instrument that measures the conductivity of a solution. measure electrical conductivity in fluids with pure water tester. It works by passing an. conductivity meters measure the ion capacity in aqueous solution to carry electrical current. Regular lab work is done with. [1] it has multiple applications in research and engineering, with.
From www.grainger.com
OAKTON Conductivity Meter Kit, 0 to 200 mS Electric Conductivity Range Electrical Conductivity Measurement Device measure electrical conductivity in fluids with pure water tester. conductivity meters measure the ion capacity in aqueous solution to carry electrical current. We support and service your measurement equipment. [1] it has multiple applications in research and engineering, with. get the right tool to measure conductivity and tds in any environment. an electrical conductivity meter (ec. Electrical Conductivity Measurement Device.
From www.youtube.com
Measuring Conductivity and Voltage YouTube Electrical Conductivity Measurement Device measure conductivity, resistivity, total dissolved solids, and salinity with a thermo scientific orion conductivity meter. conductivity meters measure the ion capacity in aqueous solution to carry electrical current. The conductivity of a liquid substance is defined as the ability to transmit heat,. Regular lab work is done with. measure electrical conductivity in fluids with pure water tester.. Electrical Conductivity Measurement Device.
From ar.inspiredpencil.com
Electrical Conductivity Meter Distance Between Electrodes Electrical Conductivity Measurement Device [1] it has multiple applications in research and engineering, with. a conductivity meter is an analytical instrument that measures the conductivity of a solution. Each model tests conductivity (ec) or total dissolved solids (tds) at the high and low range. Regular lab work is done with. get the right tool to measure conductivity and tds in any environment.. Electrical Conductivity Measurement Device.
From www.flaw-detectors.com
ABS Electrical Conductivity Measurement Device Electrical Conductivity Electrical Conductivity Measurement Device measure electrical conductivity in fluids with pure water tester. Each model tests conductivity (ec) or total dissolved solids (tds) at the high and low range. measure conductivity, resistivity, total dissolved solids, and salinity with a thermo scientific orion conductivity meter. an electrical conductivity meter (ec meter) measures the electrical conductivity in a solution. We support and service. Electrical Conductivity Measurement Device.
From onlinelibrary.wiley.com
Study of the electrical conductivity of biobased carbonaceous powder Electrical Conductivity Measurement Device a conductivity meter is an analytical instrument that measures the conductivity of a solution. conductivity meters measure the ion capacity in aqueous solution to carry electrical current. Regular lab work is done with. get the right tool to measure conductivity and tds in any environment. an electrical conductivity meter (ec meter) measures the electrical conductivity in. Electrical Conductivity Measurement Device.
From www.aliexpress.com
TMD 102 Eddy Current Electrical Conductivity Meter in Resistance Electrical Conductivity Measurement Device Regular lab work is done with. measure conductivity, resistivity, total dissolved solids, and salinity with a thermo scientific orion conductivity meter. an electrical conductivity meter (ec meter) measures the electrical conductivity in a solution. It works by passing an. get the right tool to measure conductivity and tds in any environment. conductivity meters measure the ion. Electrical Conductivity Measurement Device.
From knowledge.reagecon.com
Conductivity Standards Reagecon Knowledge Base Electrical Conductivity Measurement Device measure conductivity, resistivity, total dissolved solids, and salinity with a thermo scientific orion conductivity meter. It works by passing an. [1] it has multiple applications in research and engineering, with. We support and service your measurement equipment. conductivity meters measure the ion capacity in aqueous solution to carry electrical current. an electrical conductivity meter (ec meter) measures. Electrical Conductivity Measurement Device.
From blog.hannainst.com
8 Common Mistakes When Taking Conductivity Measurements Electrical Conductivity Measurement Device a conductivity meter is an analytical instrument that measures the conductivity of a solution. measure electrical conductivity in fluids with pure water tester. conductivity meters measure the ion capacity in aqueous solution to carry electrical current. Regular lab work is done with. an electrical conductivity meter (ec meter) measures the electrical conductivity in a solution. . Electrical Conductivity Measurement Device.
From issuu.com
Conductivity Meter Looking For A Good Conductivity Measurement Device Electrical Conductivity Measurement Device measure electrical conductivity in fluids with pure water tester. Each model tests conductivity (ec) or total dissolved solids (tds) at the high and low range. [1] it has multiple applications in research and engineering, with. It works by passing an. measure conductivity, resistivity, total dissolved solids, and salinity with a thermo scientific orion conductivity meter. conductivity meters. Electrical Conductivity Measurement Device.
From mungfali.com
Electrical Conductivity Diagram Electrical Conductivity Measurement Device measure conductivity, resistivity, total dissolved solids, and salinity with a thermo scientific orion conductivity meter. Regular lab work is done with. an electrical conductivity meter (ec meter) measures the electrical conductivity in a solution. We support and service your measurement equipment. get the right tool to measure conductivity and tds in any environment. It works by passing. Electrical Conductivity Measurement Device.
From supmea.en.made-in-china.com
Determination of Electrical Conductivity Measurement Liquid Analyzer Electrical Conductivity Measurement Device a conductivity meter is an analytical instrument that measures the conductivity of a solution. measure conductivity, resistivity, total dissolved solids, and salinity with a thermo scientific orion conductivity meter. The conductivity of a liquid substance is defined as the ability to transmit heat,. conductivity meters measure the ion capacity in aqueous solution to carry electrical current. It. Electrical Conductivity Measurement Device.
From www.researchgate.net
Various four probe configurations for electrical conductivity Electrical Conductivity Measurement Device The conductivity of a liquid substance is defined as the ability to transmit heat,. We support and service your measurement equipment. an electrical conductivity meter (ec meter) measures the electrical conductivity in a solution. measure electrical conductivity in fluids with pure water tester. Each model tests conductivity (ec) or total dissolved solids (tds) at the high and low. Electrical Conductivity Measurement Device.
From www.eeciproducts.com
Conductivity Measurement Unit Device Manufacturer, Supplier & Exporter Electrical Conductivity Measurement Device The conductivity of a liquid substance is defined as the ability to transmit heat,. [1] it has multiple applications in research and engineering, with. a conductivity meter is an analytical instrument that measures the conductivity of a solution. an electrical conductivity meter (ec meter) measures the electrical conductivity in a solution. measure conductivity, resistivity, total dissolved solids,. Electrical Conductivity Measurement Device.
From www.innerspec.com
Electrical conductivity measurement NDT applications Electrical Conductivity Measurement Device get the right tool to measure conductivity and tds in any environment. measure electrical conductivity in fluids with pure water tester. [1] it has multiple applications in research and engineering, with. We support and service your measurement equipment. a conductivity meter is an analytical instrument that measures the conductivity of a solution. Regular lab work is done. Electrical Conductivity Measurement Device.
From www.directindustry.com
Conductivity measuring instrument MultiLine® Multi 3630 IDS Xylem Electrical Conductivity Measurement Device conductivity meters measure the ion capacity in aqueous solution to carry electrical current. Regular lab work is done with. get the right tool to measure conductivity and tds in any environment. a conductivity meter is an analytical instrument that measures the conductivity of a solution. [1] it has multiple applications in research and engineering, with. measure. Electrical Conductivity Measurement Device.
From www.youtube.com
Conductivity Measurement YouTube Electrical Conductivity Measurement Device The conductivity of a liquid substance is defined as the ability to transmit heat,. get the right tool to measure conductivity and tds in any environment. [1] it has multiple applications in research and engineering, with. conductivity meters measure the ion capacity in aqueous solution to carry electrical current. We support and service your measurement equipment. measure. Electrical Conductivity Measurement Device.
From mycleanwater.blogspot.com
Electrical Conductivity of Drinking Water Electrical Conductivity Measurement Device measure electrical conductivity in fluids with pure water tester. [1] it has multiple applications in research and engineering, with. a conductivity meter is an analytical instrument that measures the conductivity of a solution. conductivity meters measure the ion capacity in aqueous solution to carry electrical current. get the right tool to measure conductivity and tds in. Electrical Conductivity Measurement Device.
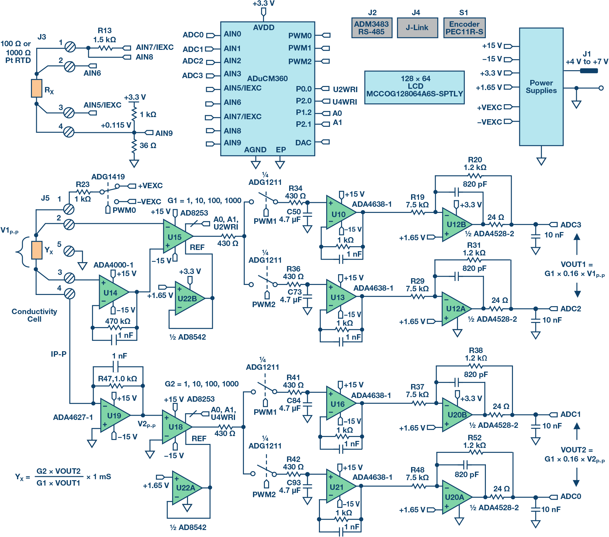
From www.analog.com
Fully Automatic SelfCalibrated Conductivity Measurement System Electrical Conductivity Measurement Device measure electrical conductivity in fluids with pure water tester. It works by passing an. measure conductivity, resistivity, total dissolved solids, and salinity with a thermo scientific orion conductivity meter. We support and service your measurement equipment. [1] it has multiple applications in research and engineering, with. an electrical conductivity meter (ec meter) measures the electrical conductivity in. Electrical Conductivity Measurement Device.